| Kullanılabilirlik Durumu: | |
|---|---|
| Miktar: | |
RONWIN
Endüstriyel güç iletimi ve taşıma alanlarında, ekipmanın stabilitesi ve dayanıklılığı, üretim verimliliğini sağlamanın anahtarıdır. Konveyör Rulosu için Çelik Rulman Uç Kapağı Düzeneğini sunmaktan gurur duyuyoruz. Çelik makaralı zorlu uygulamalar için özel olarak tasarlanan bu rulmanlar, benzersiz sağlamlık ve geniş uygulanabilirlik sunarak plastik rulman ünitelerinin değiştirilmesi için ideal çözümdür.
Bu ürün, tam olarak üç temel bileşenden oluşan, kuruluma hazır, eksiksiz bir rulman çözümüdür.
Damgalı Çelik Muhafaza: Yüksek mukavemetli çelik plakadan yapılmış olup yapısal olarak sağlamdır ve darbe ve deformasyona karşı etkili bir şekilde direnç gösterir.
Mühürlü Uç Kapağı: Toz ve kirletici maddelerin girişini etkili bir şekilde önleyerek iç yatağın servis ömrünü uzatır.
Hassas Bilyalı Rulman: Mükemmel dönüş doğruluğu sağlayarak silindirin düzgün, düşük gürültülü, düşük sürtünmeli dönüşünü sağlar.
Tamamen çelik yapı, son derece yüksek mekanik mukavemet sağlayarak, plastik yatak ünitelerininkini çok aşan radyal ve eksenel yüklere dayanabilmesini sağlar. Sürekli ağır yükler altında veya şok ve titreşimin olduğu kaçınılmaz ortamlarda, stabil kalır ve muhafaza arızasından kaynaklanan arıza sürelerini etkili bir şekilde önler.
Sağlam çelik gövdesi ve hassas iç bilyalı yatağı sayesinde daha ağır yükleri kaldıracak şekilde tasarlanmıştır. Ağır hizmet tipi konveyör hatlarında ve çeşitli motorlu silindir uygulamalarında malzeme taşıma taleplerini zahmetsizce karşılayarak güvenilir destek sağlar.
Çelik malzeme, plastiğe kıyasla sıcaklık dalgalanmalarına karşı çok daha az duyarlı olmasını sağlar. Plastik yatakların yumuşayabileceği veya kırılgan hale gelebileceği çeşitli zorlu koşullara uygun olarak hem yüksek hem de düşük ortam sıcaklıklarında istikrarlı performansı korur ve böylece ekipmanın uygulama aralıklarını genişletir.
Bu rulman ünitesi, esnek konfigürasyon seçenekleri sunan, çelik makaralar için yaygın olarak kullanılan iki endüstri spesifikasyonuyla mükemmel şekilde uyumlu olacak şekilde titizlikle tasarlanmıştır.
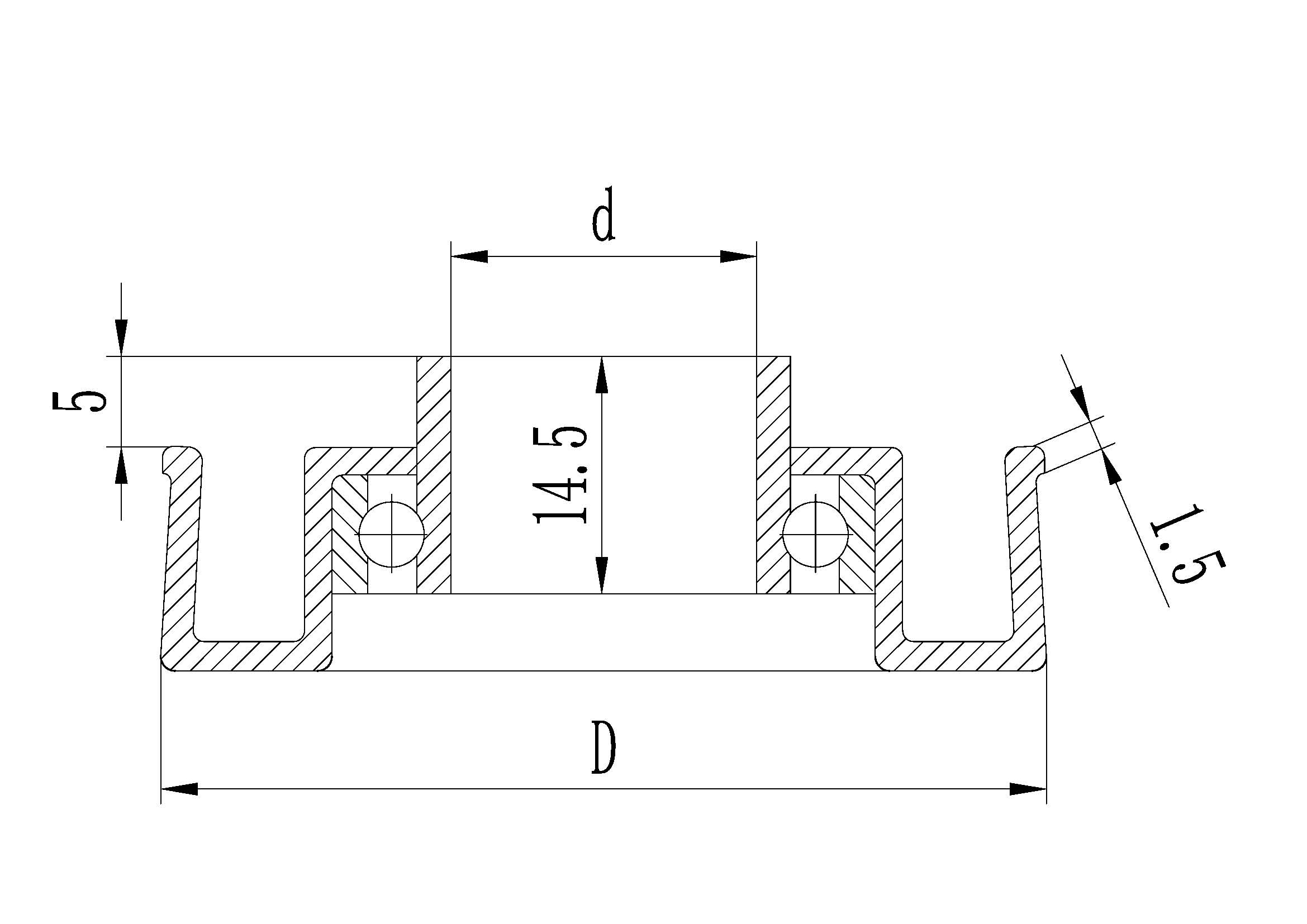
2D Çizim

Makara borusunun duvar kalınlığı ve eşleşen şaft aşağıdaki teknik özellikler tablosundaki gibidir.
| boru çıkış çapı (mm) | tüp duvar kalınlığı (mm) | şaft çapı (mm) | malzeme |
| Φ50 | 1,2/1,5/2,0 | Φ12/Φ15 | karbon çeliği, paslanmaz çelik |
| Φ57 | 1,5/2,0/2,5 | Φ12/Φ15 | karbon çeliği, paslanmaz çelik |
Not: Farklı tasarım gereksinimlerini karşılamak için başka özellikler de mevcuttur.
Ağır hizmet bantlı konveyörler, makaralı konveyörler.
Depolama ve lojistik sınıflandırma sistemleri.
Tarım makineleri, baskı ekipmanları, paketleme makineleri.
Yüksek yüklü, uzun ömürlü silindirler gerektiren çeşitli endüstriyel ekipmanlar
Uygulamanız ağırlık, darbe veya sıcaklık gibi plastik rulmanların sınırlarını aştığında Çelik Rulman Ünitesi en uygun seçimdir. Bu sadece bir bileşen değil, aynı zamanda ekipmanınız için sürekli çalışmaya, daha az bakıma ve artırılmış genel güvenilirliğe** yapılan bir yatırımdır.
Temel ekipmanınızı yıkılmaz, sağlam performansla güçlendirmek için şimdi Çelik Rulman Ünitelerini seçin!
Dostça bir Hatırlatma: Kurulumdan önce lütfen silindir duvar kalınlığının, yeterli destek gücünü ve diş bağlantısını garanti edecek gereksinimleri karşıladığından emin olun.
Görseller


