| Kullanılabilirlik Durumu: | |
|---|---|
| Miktar: | |
BE92
RONWIN
HS Code: 8431390000
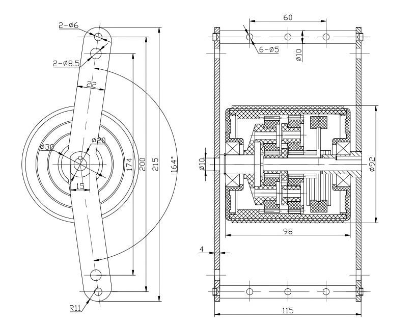
Paletler için Orta/Ağır Hizmet Tipi Harici Fren Silindiri
Fren silindirleri olarak da bilinen yerçekimi raflarındaki hız düşürücüler/hız kontrolörleri, yük paletlerinin kaydırılmasıyla yer çekiminin hızlanmasını önler, paletlerin raflar üzerinde sabit ve düzgün hareket etmesini sağlar ve operatörlerin ve malların güvenliğini korur. Çeşitli ağırlıklara, sabit frenleme kuvvetine, bakım gerektirmez ve enerji kullanımına göre kendini ayarlar.
BE92 sönümleme silindiri ile BE120 modeli arasındaki ana fark, fiziksel boyutların ve yük taşıma kapasitesinin ters eşleşmesinde yatmaktadır; yani BE92 daha küçük bir dış çapa ancak daha güçlü yük taşıma kapasitesine sahipken, BE120 daha büyük bir dış çapa ancak daha düşük yük taşıma sınırına sahiptir.
Spesifik farklar aşağıdaki gibidir:
Boyutlar:
BE92: Dış çap tipik olarak 92 mm'dir ve küçük çap kategorisine aittir.
BE120: Dış çap genellikle 120 mm'dir ve büyük çap kategorisine aittir.
Yük kapasitesi:
BE92: 1000–1500 kg (1,0–1,5 ton) ağırlığındaki ağır mallar için uygundur.
BE120: 200–1000 kg (0,2–1,0 ton) ağırlığındaki orta ağırlıktaki ürünler için uygundur.


BE92 özellikleri ve seçim mantığı:
Daha fazla alan kullanımı: BE92 daha küçük bir çapa sahip olmasına rağmen (bu genellikle daha düşük montaj yüksekliği anlamına gelir), daha ağır malları taşıyabilir.
Yapısal farklılıklar: Bu 'küçük boyut, büyük dayanıklılık' özelliği tipik olarak iç sönümleme mekanizmasındaki farklılıklardan (örneğin, santrifüj veya sürtünme yastığı tasarımları) kaynaklanır. BE92'nin dahili frenleme kuvveti ve yapısal gücü, 1,5 tonluk bir yükü kaldırabilecek şekilde güçlendirilmiştir.
Kurulum hususları: Dış çaplar farklı olduğundan, montaj deliği konumları ve yerçekimi rafındaki silindir aralığı iki model arasında değiştirilemez. Malların ağırlığı yaklaşık 1000 kg ise iki model örtüşebilir; ancak uygun hız kontrolünü sağlamak için nominal aralığa sıkı sıkıya uyulması tavsiye edilir; aşırı direnç nedeniyle 'yapışmaya' neden olabilecek BE120'yi aşırı yüklemekten veya BE92'yi hafif yüklerle kullanmaktan kaçının.
Basit bir ifadeyle, seçimin temel temeli malların ağırlığıdır: ağır mallar için daha küçük çaplı BE92'yi ve daha hafif mallar için daha büyük çaplı BE120'yi seçin.
Boyutlar ve Özellikler

Aksesuarlar

| Modeli | Nesne Ağırlığı |
| BE92/BA | 1000-1500kg |
Ahşap paletler, plastik paletler, çalışma kutuları vb. için uygundur.

Başvuru

