Konveyör silindir biriktiren çelik sprokcet düzeneği
Biriktirme konveyör silindiri için çelik dişliPolimer zincir dişli, çelik dişli daha dayanıklıdır. Polimer yatak muhafazası veya çelik yatak muhafazası ile eşleştirilebilir. Farklı silindir çalışma koşulları için çeşitli boyut ve malzeme.
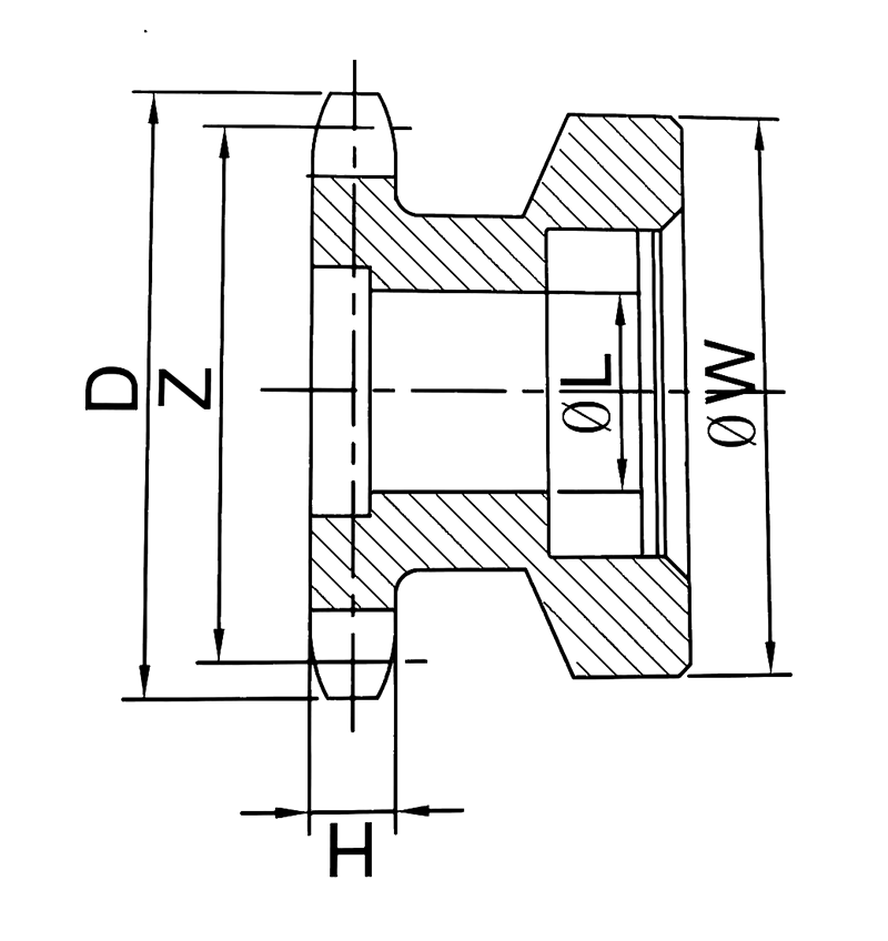
Spesifikasyonlar
| Tüp Çıkışı | tüp kalınlığı | şaft çapı | zincir dişlisi modeli | malzeme | yüzey tedavisi |
| Φ50 | 1.2/1.5/2.0 | Φ12/φ15 | 06b/08b | #45 çelik, SS304 | Sertleştirme, oksidasyon |
| Φ60 | 1.5/2.0/2.5/3.0 | Φ12/φ15/φ20 | 08b | #45 çelik, SS304 | Sertleştirme, oksidasyon |
| Φ76 | 2.0/2.5/3.0/3.5 | Φ12/φ15/φ20/φ25 | 08b/10a | #45 çelik, SS304 | Sertleştirme, oksidasyon |
Notlar: Tek sıralı veya çift sıralı zincir dişlisi düzeneği avlanabilir.
2D çizim

Görüntüler


Başvuru
